当前位置:
首页
>
政务公开
>
组织机构
>
部门信息公开目录
>
市生态环境局临武分局
>
法定主动公开内容
>
财务信息
索 引 号:
736785488/2025-3945696
主 题 词:
公开范围:
面向社会
信息类别:
综合政务
发文日期:
2025-07-18
公开方式:
主动公开
统一登记号:
责任部门:
临武县政府
时 效 性:
长期公开
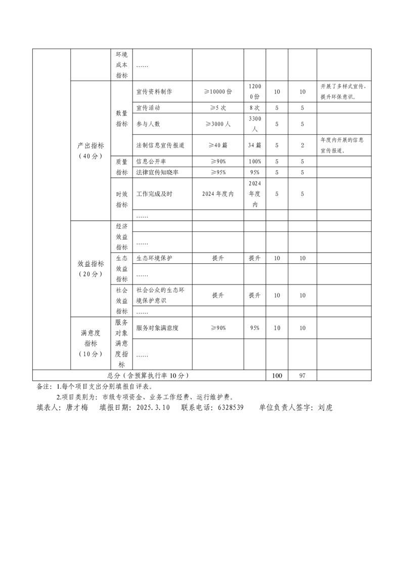
2024年度郴州市生态环境局临武分局部门决算
打印本页
加入收藏
关闭窗口
分享到: