当前位置:
首页
>
政务公开
>
组织机构
>
部门信息公开目录
>
临武高新技术产业开发区管委会
>
法定主动公开内容
>
部门文件
索 引 号:
000134/2025-3842715
主 题 词:
公开范围:
面向社会
信息类别:
综合政务
发文日期:
2025-01-03
公开方式:
主动公开
统一登记号:
责任部门:
临武产业开发区管理委员会
时 效 性:
长期公开
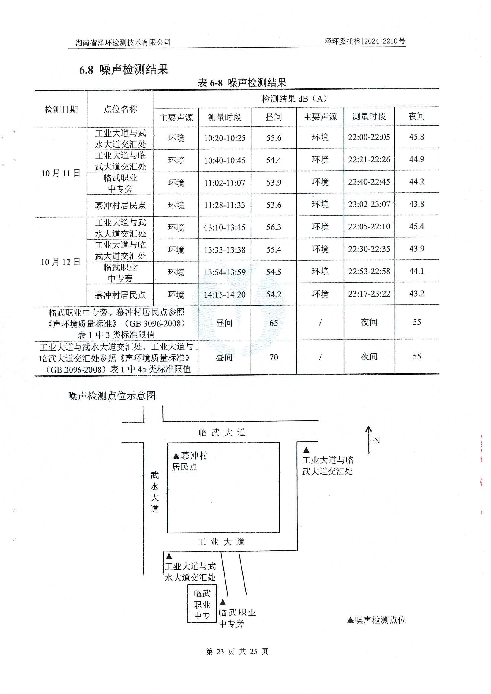
临武高新区2024下半年生态环境自行监测报告
临武高新区2024下半年生态环境自行监测报告.pdf
打印本页
加入收藏
关闭窗口
分享到: